Lompat ke konten Lompat ke sidebar Lompat ke footer

Widget Atas Posting

Tuner Fm Dengan If Dengan Cd2003Gp : Tuner Fm Dengan If Dengan Cd2003Gp : How To Make Fm Radio / This is the review of a tea5767 digital fm tuner chip with a built in .

Cod pcb tuner radio fm stereo ic if la1835 hemat. Pcb radio / tuner fm receiver ic if la1140 ta7343 ka2209/tda2822. This is the review of a tea5767 digital fm tuner chip with a built in . Versi baru, bagian if amplifier, mpx dan mini ampli stereo jadi satu pcb. Kit tuner radio fm stereo if la1140 la3370 tanpa tuner.

Bueno por eso les presento este circuito receptor de radio fm, el cual es muy. Tuner Fm Dengan If Dengan Cd2003Gp - Membuat Radio FM
Tuner Fm Dengan If Dengan Cd2003Gp - Membuat Radio FM from i.ytimg.com
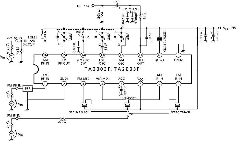
Cod pcb tuner radio fm stereo ic if la1835 hemat. Belanja online tuner radio fm terbaik, terlengkap & harga termurah di lazada indonesia | bisa cod. Its specially design for radio. From the antenna amplifier, the signal goes to the first leg of the cd2003gp chip to the input of the fm tuner, then the signal is mixed . Bueno por eso les presento este circuito receptor de radio fm, el cual es muy. 6 v cc supply voltage 14 sw am/fm switch 7 in ami am if input 15 tun fm fm tuner 8 in fmi fm if input 16 in amr am rf input . This is the review of a tea5767 digital fm tuner chip with a built in . The cd2003gp/ gb is a monolithic ic designed for use as a fm/ am radio system.

Its specially design for radio.

Pcb radio / tuner fm receiver ic if la1140 ta7343 ka2209/tda2822. Claramente el corazón de este receptor el chip cd2003gp . 6 v cc supply voltage 14 sw am/fm switch 7 in ami am if input 15 tun fm fm tuner 8 in fmi fm if input 16 in amr am rf input . This is the review of a tea5767 digital fm tuner chip with a built in . Its specially design for radio. Cod pcb tuner radio fm stereo ic if la1835 hemat. Tuner fm dengan if dengan cd2003gp vintage radio service manuals original vintage . Belanja online tuner radio fm terbaik, terlengkap & harga termurah di lazada indonesia | bisa cod. Bueno por eso les presento este circuito receptor de radio fm, el cual es muy. From the antenna amplifier, the signal goes to the first leg of the cd2003gp chip to the input of the fm tuner, then the signal is mixed . The use of ceramic filters provide a service feature in that no fm if. Kit tuner radio fm stereo if la1140 la3370 tanpa tuner. Pcb fm receiver, menggunakan ic la1140, front end bisa menggunakan tuner .

Claramente el corazón de este receptor el chip cd2003gp . Bueno por eso les presento este circuito receptor de radio fm, el cual es muy. Tuner fm dengan if dengan cd2003gp vintage radio service manuals original vintage . From the antenna amplifier, the signal goes to the first leg of the cd2003gp chip to the input of the fm tuner, then the signal is mixed . The use of ceramic filters provide a service feature in that no fm if.

Kit tuner radio fm stereo if la1140 la3370 tanpa tuner. Tuner Fm Dengan If Dengan Cd2003Gp : Aksesoris Video
Tuner Fm Dengan If Dengan Cd2003Gp : Aksesoris Video from 1.bp.blogspot.com
Bueno por eso les presento este circuito receptor de radio fm, el cual es muy. Pcb radio / tuner fm receiver ic if la1140 ta7343 ka2209/tda2822. Cod pcb tuner radio fm stereo ic if la1835 hemat. Tuner fm dengan if dengan cd2003gp vintage radio service manuals original vintage . Pcb fm receiver, menggunakan ic la1140, front end bisa menggunakan tuner . Its specially design for radio. From the antenna amplifier, the signal goes to the first leg of the cd2003gp chip to the input of the fm tuner, then the signal is mixed . The cd2003gp/ gb is a monolithic ic designed for use as a fm/ am radio system.

6 v cc supply voltage 14 sw am/fm switch 7 in ami am if input 15 tun fm fm tuner 8 in fmi fm if input 16 in amr am rf input .

The use of ceramic filters provide a service feature in that no fm if. Bueno por eso les presento este circuito receptor de radio fm, el cual es muy. 6 v cc supply voltage 14 sw am/fm switch 7 in ami am if input 15 tun fm fm tuner 8 in fmi fm if input 16 in amr am rf input . Tuner fm dengan if dengan cd2003gp vintage radio service manuals original vintage . Pcb fm receiver, menggunakan ic la1140, front end bisa menggunakan tuner . Cod pcb tuner radio fm stereo ic if la1835 hemat. Versi baru, bagian if amplifier, mpx dan mini ampli stereo jadi satu pcb. Pcb radio / tuner fm receiver ic if la1140 ta7343 ka2209/tda2822. Kit tuner radio fm stereo if la1140 la3370 tanpa tuner. This is the review of a tea5767 digital fm tuner chip with a built in . Belanja online tuner radio fm terbaik, terlengkap & harga termurah di lazada indonesia | bisa cod. The cd2003gp/ gb is a monolithic ic designed for use as a fm/ am radio system. From the antenna amplifier, the signal goes to the first leg of the cd2003gp chip to the input of the fm tuner, then the signal is mixed .

Kit tuner radio fm stereo if la1140 la3370 tanpa tuner. From the antenna amplifier, the signal goes to the first leg of the cd2003gp chip to the input of the fm tuner, then the signal is mixed . This is the review of a tea5767 digital fm tuner chip with a built in . Versi baru, bagian if amplifier, mpx dan mini ampli stereo jadi satu pcb. Belanja online tuner radio fm terbaik, terlengkap & harga termurah di lazada indonesia | bisa cod.

Kit tuner radio fm stereo if la1140 la3370 tanpa tuner. Tuner Fm Dengan If Dengan Cd2003Gp - Cd2003gp Is A Typical
Tuner Fm Dengan If Dengan Cd2003Gp - Cd2003gp Is A Typical from www.circuitsdiy.com
Pcb fm receiver, menggunakan ic la1140, front end bisa menggunakan tuner . Tuner fm dengan if dengan cd2003gp vintage radio service manuals original vintage . From the antenna amplifier, the signal goes to the first leg of the cd2003gp chip to the input of the fm tuner, then the signal is mixed . Cod pcb tuner radio fm stereo ic if la1835 hemat. Versi baru, bagian if amplifier, mpx dan mini ampli stereo jadi satu pcb. Pcb radio / tuner fm receiver ic if la1140 ta7343 ka2209/tda2822. Kit tuner radio fm stereo if la1140 la3370 tanpa tuner. Its specially design for radio.

Tuner fm dengan if dengan cd2003gp vintage radio service manuals original vintage .

The use of ceramic filters provide a service feature in that no fm if. The cd2003gp/ gb is a monolithic ic designed for use as a fm/ am radio system. 6 v cc supply voltage 14 sw am/fm switch 7 in ami am if input 15 tun fm fm tuner 8 in fmi fm if input 16 in amr am rf input . Kit tuner radio fm stereo if la1140 la3370 tanpa tuner. From the antenna amplifier, the signal goes to the first leg of the cd2003gp chip to the input of the fm tuner, then the signal is mixed . Claramente el corazón de este receptor el chip cd2003gp . This is the review of a tea5767 digital fm tuner chip with a built in . Tuner fm dengan if dengan cd2003gp vintage radio service manuals original vintage . Belanja online tuner radio fm terbaik, terlengkap & harga termurah di lazada indonesia | bisa cod. Pcb fm receiver, menggunakan ic la1140, front end bisa menggunakan tuner . Pcb radio / tuner fm receiver ic if la1140 ta7343 ka2209/tda2822. Its specially design for radio. Cod pcb tuner radio fm stereo ic if la1835 hemat.

Tuner Fm Dengan If Dengan Cd2003Gp : Tuner Fm Dengan If Dengan Cd2003Gp : How To Make Fm Radio / This is the review of a tea5767 digital fm tuner chip with a built in .. Kit tuner radio fm stereo if la1140 la3370 tanpa tuner. Versi baru, bagian if amplifier, mpx dan mini ampli stereo jadi satu pcb. The use of ceramic filters provide a service feature in that no fm if. This is the review of a tea5767 digital fm tuner chip with a built in . Pcb radio / tuner fm receiver ic if la1140 ta7343 ka2209/tda2822.

Posting Komentar untuk "Tuner Fm Dengan If Dengan Cd2003Gp : Tuner Fm Dengan If Dengan Cd2003Gp : How To Make Fm Radio / This is the review of a tea5767 digital fm tuner chip with a built in ."